Is there any good show _______ television tonight?
Select the most appropriate option to complete the above sentence.
As the police officer was found guilty of embezzlement, he was _______ dismissed from the service in accordance with the Service Rules.
Select the most appropriate option to complete the above sentence.
The sum of the following infinite series is: \
A thin wire is used to construct all the edges of a cube of 1 m side by bending, cutting and soldering the wire. If the wire is 12 m long, what is the minimum number of cuts required to construct the wire frame to form the cube?
The figures I, II and III are parts of a sequence. Which one of the following options comes next in the sequence at IV?

"Why do they pull down and do away with crooked streets, I wonder, which are my delight, and hurt no man living? Every day the wealthier nations are pulling down one or another in their capitals and their great towns: they do not know why they do it; neither do I. It ought to be enough, surely, to drive the great broad ways which commerce needs and which are the life-channels of a modern city, without destroying all history and all the humanity in between: the islands of the past."
(From Hilaire Belloc's "The Crooked Streets")
Based only on the information provided in the above passage, which one of the following statements is true?
Rohit goes to a restaurant for lunch at about 1 PM. When he enters the restaurant, he notices that the hour and minute hands on the wall clock are exactly coinciding. After about an hour, when he leaves the restaurant, he notices that the clock hands are again exactly coinciding. How much time (in minutes) did Rohit spend at the restaurant?
A color model is shown in the figure with color codes: Yellow (Y), Magenta (M), Cyan (Cy), Red (R), Blue (Bl), Green (G), and Black (K). Which one of the following options displays the color codes that are consistent with the color model?

A circle with center at and radius = 0.5 intersects with another circle with center at and radius = 1 at two points. One of the points of intersection (x, y) is:
An object is said to have an n-fold rotational symmetry if the object, rotated by an angle of , is identical to the original.
Which one of the following objects exhibits 4-fold rotational symmetry about an axis perpendicular to the plane of the screen?
Note: The figures shown are representative.
Suppose is an eigenvalue of matrix and is the corresponding eigenvector. Let also be an eigenvector of the matrix , where is the identity matrix. Then, the eigenvalue of corresponding to the eigenvector is equal to
Let and . For to be solvable, which one of the following options is the correct condition on , , and :
Which one of the following options is the correct Fourier series of the periodic function described below:
X is a random variable that can take any one of the values 0, 1, 7, 11, and 12. The probability mass function for X is
; ; ;
; .
Then, the variance of X is
As per IS 456:2000 provisions for two-way slabs with continuous edges, the longitudinal steel reinforcement to be provided in the edge strip is based on
Identify the FALSE statement from the following options:
The results of a consolidated drained triaxial test on a normally consolidated clay are shown in the figure. The angle of internal friction is

The standard plasticity chart for the classification of a fine-grained soil is shown in the figure. As per the Indian standard soil classification system, X represents

For a flowing fluid, a dimensionless combination of velocity (), length scale (), and acceleration due to gravity () would be
To derive the total flood hydrograph at a catchment outlet from an isolated storm, the order in which the following methods are applied, from the first method to the last method, is
P. Obtaining the hyetograph
Q. Addition of baseflow
R. Estimation of initial and infiltration losses
S. Application of unit hydrograph
Fecal Coliform (FC) concentration in river water was measured as 10780 cfu/100 ml. The FC concentration after the conventional water treatment, but before chlorination, was measured as 23 cfu/100 ml. The 'Log Kill' (inactivation) of FC due to the conventional water treatment is closest to
A hydrocarbon is burnt in air . The stoichiometric fuel to air mass ratio for this process is
Note: Atomic Weight: ;
Effective Molecular Weight: ;
Ignore any conversion of in air to the oxides of nitrogen
All the vehicles that come during a particular peak hour come during a 10-minute period within this hour. The 15-minute peak hour factor for this peak hour is
In the context of testing bitumen, which one of the following statements is FALSE:
The maximum degree of the curve that can be used for railways in a mountainous region is
If the horizontal distance between a staff point and the point of observation is , the error due to the curvature of earth is proportional to
If the quadrantal bearing of a line is , then the whole circle bearing of the line is
Which of the following equations belong/belongs to the class of second-order, linear, homogeneous partial differential equations:
Consider the frame shown in the figure under the loading of 100 kN.m couples at the joints B and G. Considering only the effects of flexural deformations, which of the following statements is/are true:

For the Bernoulli's equation to be applicable in a fluid flow situation, which of the following conditions is/are to be satisfied:
The Surface Overflow Rate (SOR) in a rectangular sedimentation tank is 45 . Minimum diameters of spherical inorganic and organic particles expected to be completely removed in this tank are calculated. Assume that Stoke's law is applicable. Which of the following options is/are correct:
Specific gravity of inorganic particles = 2.65;
Specific gravity of organic particles = 1.20;
Acceleration due to gravity (g) = 9.81 ;
Kinematic viscosity
Aeration is employed as a treatment option for the removal of several pollutants from contaminated water. Identify the pollutant(s), where aeration is employed as a part of their removal:
If the weights retained on the 2.36 mm, 1.18 mm, , and sieves are 30%, 35%, 15%, and 20%, respectively, of the total weight of an aggregate sample, then the fineness modulus of the sample is _______ (rounded off to 2 decimal places).
A water resources project with an expected life of 25 years has to be designed for an acceptable risk of 5% against a design flood. The return period for the design flood (in years) is _______ (rounded off to the nearest integer).
Road A and Road B are joined by a circular horizontal curve of radius 200 m as shown in the figure. Road A and Road B are tangential to the curve at the points C and D, respectively. Had the curve not been there, straight roads A and B would have met at the point E. The distance from C to E is 92 m. The value of angle (in degrees) is _______ (rounded off to 1 decimal place). Note: The value of angle is to be calculated only from the consideration of Euclidean geometry and the data given in the problem.

The value of is equal to
In the rigid-jointed frame shown in the figure, the distribution factor of the member AD is closest to
In an oedometer apparatus a specimen of fully saturated clay has been consolidated under a vertical pressure of 100 kPa and is at equilibrium state. Immediately on increasing the vertical pressure to 150 kPa, the effective stress and excess pore water pressure will be
The mean rainfall over a catchment has to be estimated. The data for four rain gauges located in and around the catchment is listed in the table. Which one of the following statements is correct:
The speed-density relation on a one-way, single lane road is shown in the figure, where speed u is in km/hour and density is in vehicles/km. The maximum flow (in vehicles/hour) on this road is

Consider the beam ACDEB given in the figure. Which of the following statements is/are correct:

In the context of construction project management, which of the following statements is/are true:
Lacey's regime equations, followed in India for making scour calculations while designing hydraulic structures across alluvial channels, are given below. Regarding these equations, which of the following statements is/are true:
where, Q is discharge and is silt factor.
and salts are added to 1 litre of distilled deionized water and mixed until completely dissolved. Total Dissolved Solids (TDS) concentration is 500 mg/l and Total Hardness (TH) is 400 mg/l (as ). The amounts of and added are calculated (rounded off to the nearest integer). Which of the following options is/are true:
Atomic weights:
A facultative pond system is employed for wastewater treatment. Which of the following statements is/are true:
Organic fraction of municipal solid waste (OFMSW) with bulk density of 315 and water content of 30% is mixed with municipal sludge of bulk density 700 and water content of 70%, such that the water content of the mixture is 40%. The amount (in kg) of sludge to be mixed per kg of OFMSW and the density of the mixture (in ) are calculated. Which of the following options is/are true:
Let be the solution of the initial value problem , where and . Then, is equal to _______ (rounded off to 1 decimal place).
The maximum value of the function in the interval [-1, 1.5] is equal to _______ (rounded off to 1 decimal place).
Consider the differential equation given below. Using the Euler method with the step size () of 0.5, the value of at is equal to _______ (rounded off to 1 decimal place).
For the beam and loading shown in the figure, the second derivative of the deflection curve of the beam at the mid-point of AC is given by . The value of is _______ (rounded off to the nearest integer).

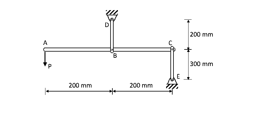
Consider the rigid bar ABC supported by the pin-jointed links BD and CE and subjected to a load P at the end A, as shown in the figure. The axial rigidities of BD and CE are 22500 kN and 15000 kN, respectively. If CE elongates by 5 mm due to the load P, the magnitude of the downward deflection (in mm) of the end A would be _______ (rounded off to the nearest integer).

Consider a reinforced concrete beam section of 300 mm width and 700 mm depth. The beam is reinforced with the tension steel of 2000 area at an effective cover of 50 mm. Concrete in the tension zone is assumed to be cracked. Assume the modular ratio of 12 and Young's modulus of 200 GPa for steel. When the extreme fibre in the compression zone undergoes the strain of 0.0004 due to the applied bending moment, the stress in the steel (in MPa) is _______ (rounded off to the nearest integer).
Consider the beam section shown in the figure, with indicating the depth of neutral axis (NA). The section is only subjected to an increasing bending moment. It is given that mm, when the section has not yielded at the top and bottom fibres. Further, decreases to 5 mm, when the entire section has yielded. The shape factor of the section is _______ (rounded off to 2 decimal places).

Consider the built-up column made of two I-sections as shown in the figure, with each batten plate bolted to a component I-section of the column through 6 black bolts. Each connection of the batten plate with the component section is to be designed for a longitudinal shear of 70 kN and moment of 10 kN.m. The minimum bolt value required (in kN) is _______ (rounded off to the nearest integer).

A cut slope is made in a silty clay soil for a new road project, as shown in the figure. The locations of ground water table (GWT) and potential failure surface are shown in the figure. After the cut is made, the excess pore water pressure is fully dissipated, and the shear stress at the point A is 60 . The factor of safety at the point A for long-term stability is _______ (rounded off to 2 decimal places).
Note:
Shear strength properties of silty clay: , and ;
Unit weight of soil above the GWT ;
Unit weight of soil below the GWT ;
Unit weight of water

A 6 m 6 m square footing constructed in clay is subjected to a vertical load of 2500 kN at its centre. The base of the footing is 2 m below the ground surface, as shown in the figure. The footing is made of 2 m thick concrete. The ground water table is at a great depth. Considering Terzaghi's bearing capacity theory, the factor of safety of footing against the bearing capacity failure is _______ (rounded off to 2 decimal places).
Note:
Unit weight of concrete ;
Properties of clay: and ;
For ,

A clayey soil has a moisture content of 18%, a specific gravity of soil solids of 2.74, and a degree of saturation of 65%. The soil soaks up water during a rain event, and the degree of saturation increases to 85.2%. The change of the volume during the soaking is negligible. The new moisture content (in %) of the soil will be _______ (rounded off to 2 decimal places).
A single pile with 450 mm diameter has been driven into a homogeneous clay layer, which has an undrained cohesion of 20 kPa and unit weight of 18 . The ground water table is found to be at the surface of the clay layer. The adhesion factor of the soil is 0.95 and bearing capacity factor is 9. The pile is supporting a column load of 144 kN with a factor of safety of 3.0 against ultimate axial pile capacity in compression.
The required embedment depth of the pile (in m) is _______ (rounded off to the nearest integer).
Two soils of permeabilities and are placed in a horizontal flow apparatus, as shown in the figure. For Soil 1, cm, and cm/s; for Soil 2, cm, and cm/s. The cross sectional area of the horizontal pipe is 100 , and the head difference () is 150 cm. The discharge (in /s) through the soils is _______ (rounded off to 2 decimal places).

A hydraulic jump is formed in a 5 m wide rectangular channel, which has a horizontal bed and is carrying a discharge of 15 . The depth of water upstream of the jump is 0.5 m. The power dissipated by the jump (in kW) is _______ (rounded off to the nearest integer).
Note:
Acceleration due to gravity ;
Density of water ;
Kinetic energy correction factor = 1.0
A symmetrical trapezoidal canal is 100 km long. The bottom width is 10 m and the side slope is 1 Horizontal : 1 Vertical. The average flow depth in the canal is 2.5 m throughout the month of April. The measurement from a Class-A evaporimeter in the vicinity of the canal indicated an average evaporation rate of 0.5 cm/day in April.
The volume of water evaporated from the canal (in ) in the month of April is close to (rounded off to 1 decimal place).
A 5.0 m wide rectangular channel carries a discharge of 10 at a depth of 1.5 m under uniform flow. To produce critical flow conditions without affecting the upstream conditions, the channel bottom elevation should be raised (in m) by _______ (rounded off to 2 decimal places).
Note: Assume that there is no loss of head at the raise, kinetic energy correction factor is 1.0, and acceleration due to gravity is
A one-way, single lane road has traffic that consists of 30% trucks and 70% cars. The speed of trucks (in km/h) is a uniform random variable on the interval (30, 60), and the speed of cars (in km/h) is a uniform random variable on the interval (40, 80). The speed limit on the road is 50 km/h. The percentage of vehicles that exceed the speed limit is _______ (rounded off to 1 decimal place).
Note: X is a uniform random variable on the interval , if its probability density function is given by
In levelling between two points A and B on the opposite banks of a river, the readings are taken by setting the instrument both at A and B, as shown in the table. If the RL of A is 150.000 m, the RL of B (in m) is _______ (rounded off to 3 decimal places).

During determination of the bulk specific gravity of compacted bituminous specimen, the mass in air of the specimen is 1260 g and volume is 525 . The density of water is 1.0 . The theoretical maximum specific gravity of mix is 2.510.
The percentage air voids in the compacted specimen is _______ (rounded off to 2 decimal places).