Courage : Bravery :: Yearning : __________ Select the most appropriate option to complete the analogy.
We __________ tennis in the lawn when it suddenly started to rain. Select the most appropriate option to complete the above sentence.
A 4 × 4 digital image has pixel intensities (𝑈) as shown in the figure. The number of pixels with 𝑈≤4 is:

In the given figure, the numbers associated with the rectangle, triangle, and ellipse are 1, 2, and 3, respectively. Which one among the given options is the most appropriate combination of P, Q, and R ?

A rectangle has a length L and a width W, where L > W. If the width, W, is increased by 10%, which one of the following statements is correct for all values of L and W?
Column-I has statements made by Shanthala; and, Column-II has responses given by Kanishk.

Weight of a person can be expressed as a function of their age. The function usually varies from person to person. Suppose this function is identical for two brothers, and it monotonically increases till the age of 50 years and then it monotonically decreases. Let and (in years) denote the ages of the brothers and . Which one of the following statements is correct about their age on the day when they attain the same weight?
A regular dodecagon (12-sided regular polygon) is inscribed in a circle of radius r cm as shown in the figure. The side of the dodecagon is d cm. All the triangles (numbered 1 to 12) in the figure are used to form squares of side r cm and each numbered triangle is used only once to form a square.
The number of squares that can be formed and the number of triangles required to form each square, respectively, are: Note: The figure shown is representative.

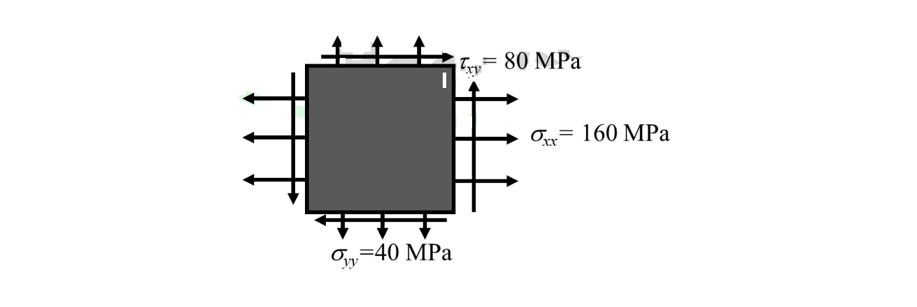
If a real variable satisfies , then the value of is?
The number of patients per shift (𝑋) consulting Dr. Gita in her past 100 shifts is shown in the figure. If the amount she earns is ₹ 1000(𝑋−0.2), what is the average amount (in ₹) she has earned per shift in the past 100 shifts? Note: The figure shown is representative.

For any real symmetric matrix 𝐴, the transpose of 𝐴 is ____ .
The given system of equations has
The eigenvalues of the matrix are _______
The partial differential equation is _____.
For a NACA 4415 airfoil, the location of maximum camber, as a fraction of the chord length from the leading edge, is ______.
Consider a pair of point vortices with clockwise circulation Γ each. The distance between their centers is 𝑎, as shown in the figure. Assume two-dimensional, incompressible, inviscid flow. Which one of the following options is correct?

In a fluid flow, Mach number is an estimate of _____.
A general aviation airplane is in steady and level flight. The airplane is prone to adverse yaw. Which one of the following options best describes the deflections of aileron and rudder to achieve a coordinated right turn?
For a general aviation airplane, which one of the following has a destabilizing effect on its static roll stability?
A general aviation airplane is flying at an altitude of 5000 m. The indicated airspeed is 250 km/h. Assume that there are no instrument errors and position errors. Neglecting compressibility effects, which one of the following options is FALSE?
To achieve longitudinal static stability of a general aviation airplane, which one of the following conditions should be satisfied?
For a homogeneous, isotropic material, the relation between the shear modulus (𝐺), Young’s modulus (𝐸), and Poisson’s ratio (𝜈) is ____.

A uniform symmetric cross-section cantilever beam of length 𝐿 is subjected to a transverse force 𝑃 at the free end, as shown in the figure. The Young’s modulus of the material is E and the moment of inertia is I. Ignoring the contributions due to transverse shear, the strain energy stored in the beam is _____.


𝛿𝑄 and 𝛿𝑊 are the heat and work interactions of a system with its surroundings, and 𝑑𝑈 is the change in the internal energy of the system. For an adiabatic process in a closed, constant pressure combustor, which one of the following options is correct?
An ideal two-stage rocket has identical specific impulse and structural coefficient for its two stages. For an optimized rocket, the two stages have identical payload ratio as well. The payload is 2 tons and the initial mass of the rocket is 200 tons. The mass of the second stage of the rocket (including the final payload mass) is ____ tons.
In a centrifugal compressor, the eye tip diameter is 10 cm. For a shaft rotational speed of 490 rotations per second, the tangential speed at the inducer tip is ___ m/s (rounded off to one decimal place).
Aerospace Engineering (AE) Page 24 of 34 Organizing Institute: IIT Roorkee
The maximum value of the function 𝑓(𝑥) = (𝑥−1)(𝑥−2)(𝑥−3) in the domain [0, 3] occurs at 𝑥= ______(rounded off to two decimal places).






